轮组式张力传感器
BCHL-M1型 微型张力传感器
特点及用途:
体积小,安装方便。
大量应用在纺织、机械行业的细线、布带张力(拉力)监测等控制系统中。
技术参数:
量程
1、2、5、10、20N
输入阻抗
385 ± 35 Ω
灵敏度
1.5 ± 0.1 mv/V
输出阻抗
350 ± 3 Ω
综合精度
0.1 %F·S
绝缘阻抗
≥ 2000 MΩ
蠕变
±0.05 %F·S/30min
激励电压
5 ~ 12 VDC
非线性
±0.05 %F·S
工作温度范围
-30 ~
﹢70℃
滞后误差
±0.05 %F·S
允许过负荷
120 %F·S
重复性误差
±0.05 %F·S
密封等级
IP66
零点温度系数
±0.02 %F·S/10℃
材质
铝合金
输出温度系数
±0.02 %F·S/10℃
线缆
φ3 × 2000 mm
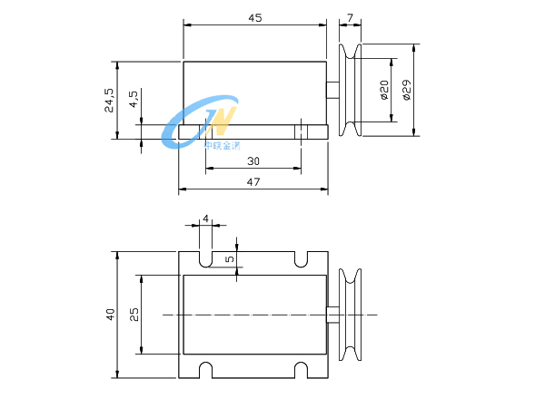
产品尺寸:





